USB対応XYステージ制御用基板(その2)                     2010.5.30

   秋月のFT232RL USBシリアル変換モジュール を使用しました。
   コストは、少し高めですが、パーツ数が減り製作しやすと思います。
   Win98、WinMe, WinXP、Win2000 で使用できます。 (WinMe、Win2000は未確認)
   COMポートないパソコンになり、困っている場合も改造がやりやすいと思います。

   又このモジュールをAVRのライターとして使用することができます。(ファームを書きこみ可能)

      
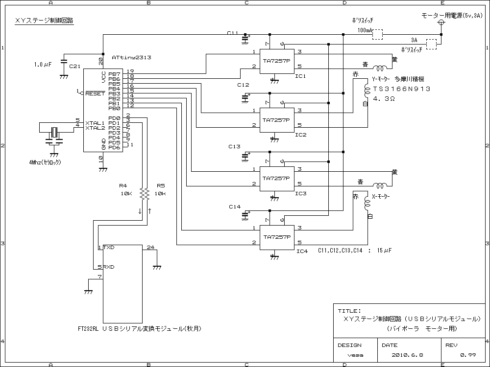
   (1) 回路図です   2010.5.31   2010.6.8 改


       
       USBシリアルの部分です。


       このモジュールを使用します。完成品です。部品は全て実装されています。
       http://akizukidenshi.com/catalog/g/gK-01977/


          

       モジュールの電源は、USB端子から供給します。又このモジュールから外部に電源を
       出すことは行いません。
       これで電源ショートによるパソコン故障のリスクが低減されます。
       外部に出すのは、信号線2本(1ピン、5ピン)とグランド(7ピン、24ピン)のみです。
       R5,R6は、保護用抵抗です。 10KΩでもおそらく問題ないと思います。
       2.7KΩ から 10kΩ に変更しました。 (2010.6.8)

       USBシリアル変換モジュールにジャンパーが2箇所あります。
         J1 : 2-3をショートする。(VIOは、VCCを使い、信号を5Vで出す)
         J2: : ショートする。  (電源はUSBから供給(5V))
        
      ・ モータードライブの部分は、前と全く同じです。 ファームも同じのが使えます。

      ・ 私は、自作したFT232RLで既存の部分と接続して確認しました。( Win98、WinXP で確認)

 合体してテスト。
 XYステージのファームとの通信は、こうやって使用。
 赤LEDは、Xモーター、Yモーターを動かした(つもり)場合に点燈。

                   

     「使用した感想」
       WIN98,WINXPともに安定に動いてます。 不安定な印象は、ありません。
       
-------------------------------------------------------------------------------------------------------------
     秋月で購入できるもの
       ATTiny2313 http://akizukidenshi.com/catalog/g/gI-01600/   

       抵抗     http://eleshop.jp/shop/contents3/search_regis.aspx

      24ピン丸ピンソケット  http://akizukidenshi.com/catalog/g/gP-00032/  (USBシリアル変換モジュールの実装で使用)


   (2)  製作

           この基板パターンは、実績があります。 (2010.6.15 掲示板投稿)

           又トナー熱転写用のパターン配布しています。


           基板パターンのCADデータ(kban形式)とkbanの再配布は、これ。   2010.6.2


         CADデータからパターン用BMPデータを作る場合、このように。
           
           
                  基板の部品側から、透視して見たパターンです。
          

               
             黄色の線は、シルクの線で、部品を表しています。
             緑色線は、トップのパターンでジャンパ線を表しています。 、

              
             部品配置です。赤く塗った部分がUSB端子のつもりです。
                                    
                ボリSW1は、100mA(制御回路用)
                ボリSW2は、3A(モーター電源用)

              右側の縦長黒線は、全てジャンパー線です。 上記の緑線

      

      TA7257Pノ代わりにTA7248Kを使用する場合は、6ピンに配線せず、7ピンにモーター用電源を配線します。ボリSW2
      をボリSW1の位置につけます。 又ファームは、TA7248K対策したVer1.4を使用します。 

      電源供給方式
         JP14に位置から外部電源(5V、3A程度)を供給します。

 実際のパターンをパターン側から見た図です。

 上記の右上の部分を左右反転した形になっています。

 外部電源は、ボリスイッチ1、ボリスイッチ2を

 介して供給します。

 外部電源の5VとGNDは、左の図の位置に配線します。
 (赤色、灰色)

 パイロットランプや、フーコーテスターの光源電源は、
 ボリSWを通した後から取り出します。(青色線) 
 又GND側は、配線しやすい場所から取り出して
 かまいません。  


  
  (3)  基板製作

       

       トナー熱転写で基板を作る場合は、こんなようにして作ります。
      https://ss1.xrea.com/vega.s58.xrea.com/telescope/qcamft/pcb/pcb.htm

  (4) USBシリアル変換モジュール の動作確認

     単独に動作を確認します。必要なものは、USBシリアル変換モジュールとUSBケーブルのみです。

     @ モジュール内のジャンパー線
        J1: 2−3にショートピンを刺す
        j2: ショートピンを刺す
     A デバイスドライバーを準備します。 Windows98とWindowsXPは、異なるので注意。

       又FT232RLのデバイスドライバーは、ここから入手して下さい。
       http://www.ftdichip.com/Drivers/VCP.htm

       Win98(WinMe)用は、これです。 http://www.ftdichip.com/Drivers/VCP/Win98/R10906.zip
       このドライバーは、もうメンテナンスしないそうで、これが最終版です。

       XP用等は、これです。      http://www.ftdichip.com/Drivers/CDM/CDM20602.zip
       XP用は、時々更新されています。

     B パソコンとケーブルを接続すると、即認識されます。
        認識されない場合は、ジャンパーのJ2をチェック(ショートされているか)します。

     C デバイスドライバーをインストールする。

        インストール方法(XP)
        http://homepage3.nifty.com/junamano/pb-1000/technote/usbser/drvinst.htm

        Win)98も似たような感じでインストールできると思います。
        上記サイトには、英語ですがインストールガイドがありました。(pdf)
   
       「正しくインストールされたかの確認」
       コントロールパネル -> システム -> ハードウエア ->デバイスマネージャ で下記を表示する。
       USBを差し込むと下記が表示され、USBを抜くと消滅することを確認する。
       COMx の番号を覚えておいてください。
            
           これは、WinXPの場合

  (5) 製作と確認手順
      
      @ 基板には、24ピン(丸ピンが良い)のICソケットを半田付けし、ブリッジやショートがない事を確認する。
        モジュールにはUSBの抜き差しであまり力がかからないので、ICソケットの足を全て半田付けする必要は無いと
        思います。使用しない足は、 1個おきか、2個おきで十分です。半田ブリッジには、十分注意して下さい。
        ここにUSBシリアル変換モジュールを挿します。 向きに、注意して下さい。
        上の基板は、USB端子を上側から差し込みます
        モジュールの端子に信号名が書いてあります。

      A 製作を段階的に行う場合は、マイコンとセラロックC21のコンデンサを実装し、外部から5Vを供給すれば、
         測定ソフトから全ての操作ができます。
         ドライブ用マイコンと正しく接続し、QCAMFTのモーター設定でCOMxを変更してください。
  
      B 残りの部品を付け、モーターを接続してます。
        これでモーターが動けば基板は完成。   


================================================

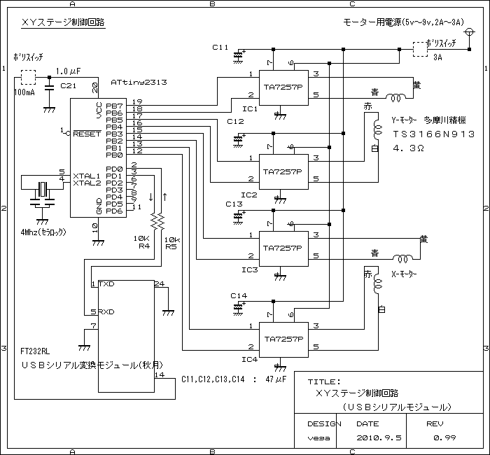
      変更しました  回路図です   2010.9.5 改
                変更点 :  マイコンの電源は、いままで外部から取っていたため5V固定でした。
                        これをUSBシリアルモジュールから供給するように変更。
                        
                        これによりモーター側の電圧をこれまでより自由に設定可能になりました。


          

           DCジャックのパターンを追加しました。 センタープラス用です。
           電源コネクタ(3.9mmピッチ)を実装できます。
           基板の角しか空いてなかったので、基板取り付け穴をずらしました。

                                    TOPへ